Вы отложили “Гидронасос 310.12.03 (шлицевой вал, правое вращение) аксиально-поршневой” в свою корзину. Просмотр корзины
Запчасти гидравлического насоса Bosch Rexroth A10VG A10VG28DA1D3L/10R-NSC10F015SH-S
Артикул:
2d29f404bcda
Скидки
При покупке от 100000 руб скидка 5 %
Код_купона_5
Цена по запросу
16
Люди смотрят этот продукт сейчас!
Способы оплаты:
Описание
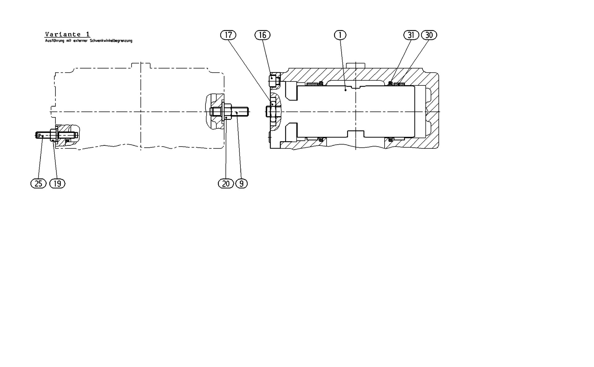
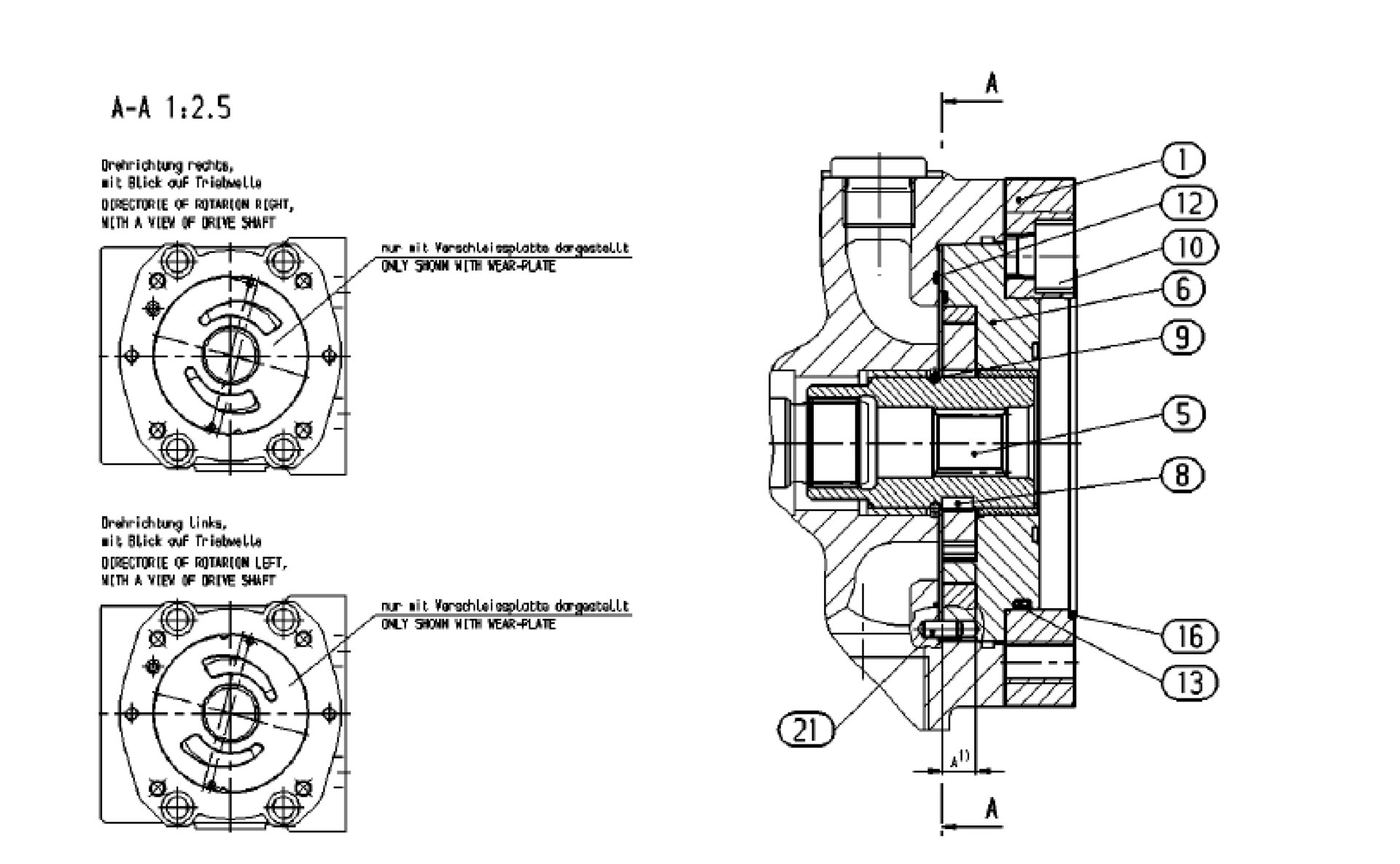
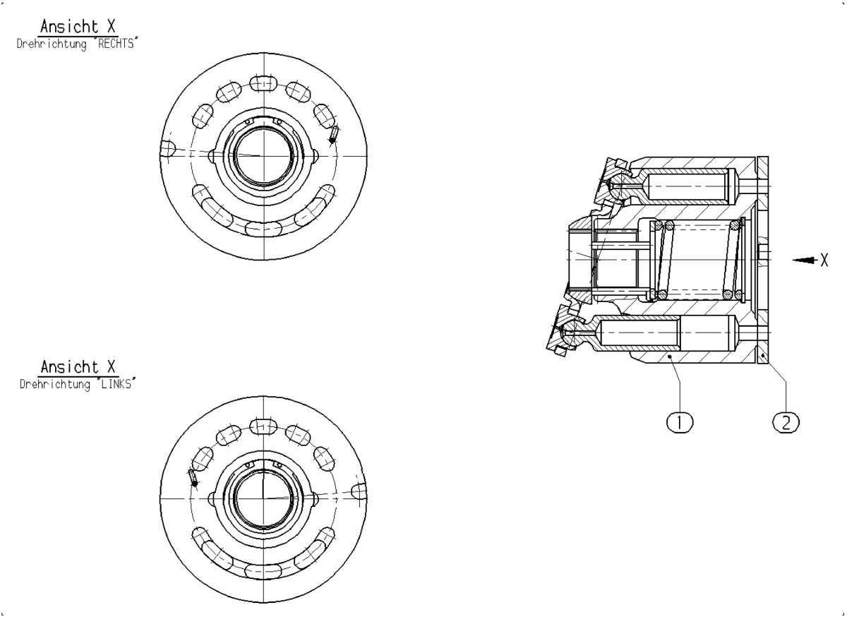
| 1 |
РОТАЦИОННАЯ ГРУППА (187088) |
| 2 |
ГИДРАВЛИЧЕСКОЕ УПРАВЛЕНИЕ (185773) |
| 3 |
ПОРТОВАЯ ПЛИТА С КЛАПАНАМИ (229907) |
| 4 |
НАСОС НАПРЯЖЕНИЯ В СБОРЕ (66552) |
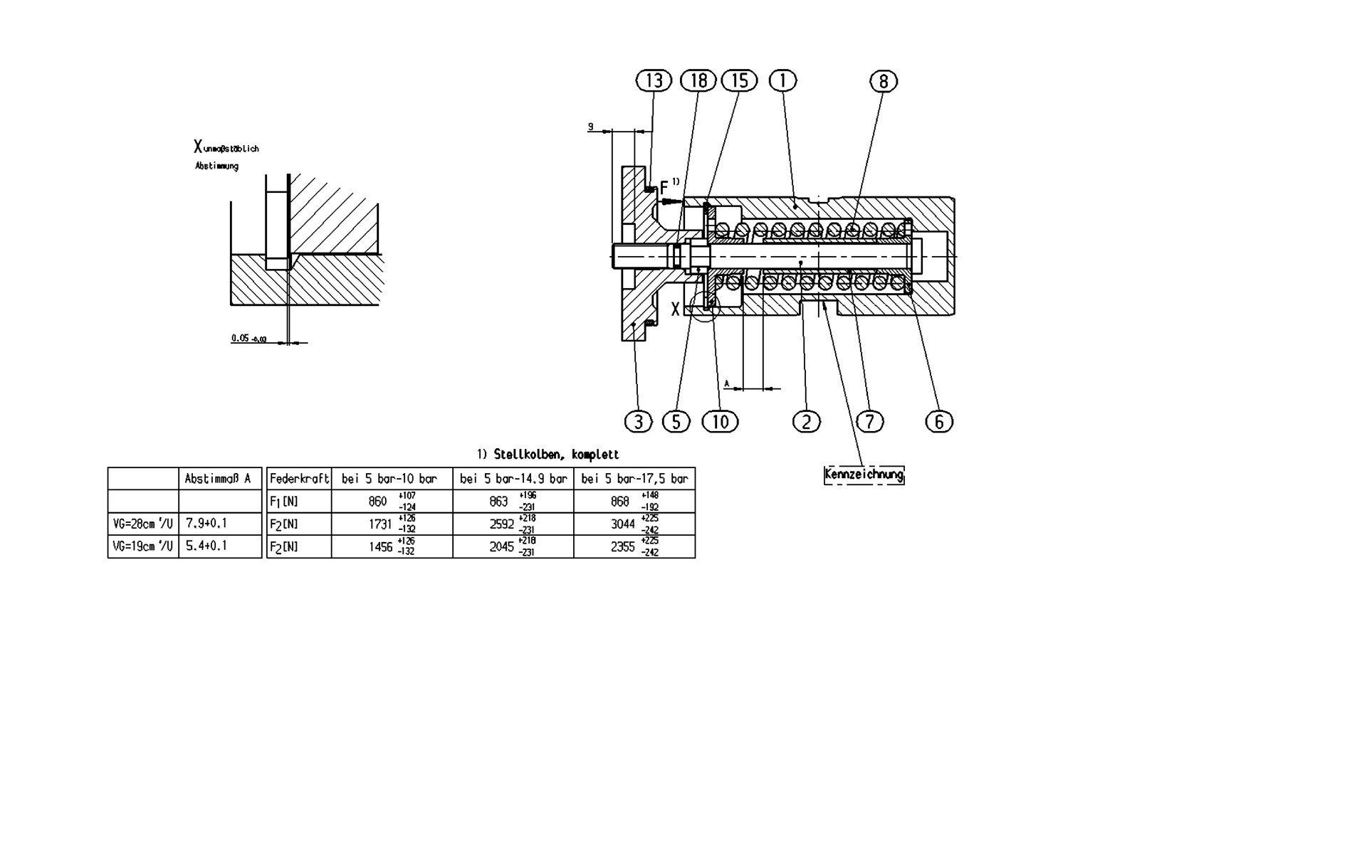
| 5 |
4-3-ХОДОВОЙ НАПРАВЛЯЮЩИЙ КЛАПАН (96894) |
| 6 |
УПРАВЛЯЮЩИЙ КАРТРИДЖ (238022) |
| 10 |
КОРПУС (145871) |
| 13 |
СОЕДИНИТЕЛЬНЫЙ ПИН (187430) |
| 20 |
ЗАПОРНЫЙ ВИНТ (37512) |
| 21 |
ЗАПОРНЫЙ ВИНТ (37510) |
| 22 |
ЗАПОРНЫЙ ВИНТ (37508) |
| 23 |
ЗАПОРНЫЙ ВИНТ (30656) |
| 24 |
ЗАПОРНЫЙ ВИНТ (37514) |
| 26 |
ЗАПОРНЫЙ ВИНТ (37514) |
| 28 |
ОТВЕРСТИЕ (31008) |
| 31 |
НАПРЯЖЕНИЕ (239569) |
| 41 |
КОЛЬЦО (93121) |
| 46 |
ЭКЦЕНТРИЧЕСКИЙ ВИНТ (96759) |
| 47 |
ЗАПОРНАЯ ГАЙКА (31042) |
| 49 |
ОТВЕРСТИЕ (89305) |
| 54 |
ОТВЕРСТИЕ (31008) |
| 98 |
КОМПЛЕКТ УПЛОТНЕНИЙ В КОМПЛЕКТЕ (147909) |
Детали
| Виды услуг | |
|---|---|
| Виды оборудования |
Отзывы
Так же рекомендуем
Гидромотор 210.12.00 (шлицевой вал, реверс) аксиально-поршневой
Оценка 0 из 5
В наличии
Цена по запросу
Гидронасос 310.12.03 (шлицевой вал, правое вращение) аксиально-поршневой
Оценка 0 из 5
В наличии
Цена по запросу














































