Ремонт гидронасоса Rexroth A4VTG
Цена по запросу
Ремонт гидронасоса Rexroth A4VG180
Цена по запросу
Вы отложили “Гидромотор 210.12.00 (шлицевой вал, реверс) аксиально-поршневой” в свою корзину. Просмотр корзины
Ремонт гидронасоса Rexroth A10VSO45
Артикул:
f39d1440d314
Скидки
При покупке от 100000 руб скидка 5 %
Код_купона_5
Цена по запросу
13
Люди смотрят этот продукт сейчас!
Способы оплаты:
Описание
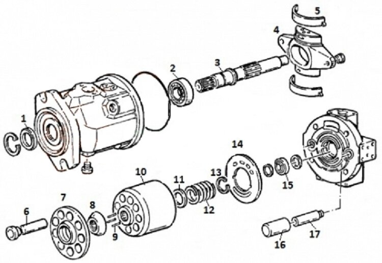
| 1 | Манжета вала |
| 2 | Большой подшипник вала |
| 3 | Ведущий вал |
| 4 | Поворотная плита |
| 5 | Подшипник скольжения |
| 6 | Поршень |
| 7 | Прижимная пластина |
| 9 | Упор штифты |
| 10 | Блок цилиндров |
| 11 | Упорное кольцо пружины блока |
| 12 | Пружина блока |
| 13 | Стопорное кольцо блока |
| 14 | Распределитель |
| 15 | Малый подшипник вала |
| 16_17 | Сервопоршень |
| Подшипник сколжения |
| Витая пружина |
| Стопорное кольцо |
| Распределитель R |
| Набор уплотнений |
Детали
| Виды услуг | |
|---|---|
| Виды оборудования |
Отзывы
Так же рекомендуем
Гидромотор 210.12.00 (шлицевой вал, реверс) аксиально-поршневой
Оценка 0 из 5
В наличии
Цена по запросу
Гидронасос 310.12.03 (шлицевой вал, правое вращение) аксиально-поршневой
Оценка 0 из 5
В наличии
Цена по запросу














































